Description
25W 170V HIGH POWER EMERGENCY BACKUP
Feature:
Output Power:25 Watts
Input Current:60 mA (Max)
Output Voltage:170V DC
Input Power:8 Watts (Max)
Input Voltage:100-277VAC, 50 -60Hz
Emergency Operation:≥90 Minutes
Operating Temp:0° to 50° C
Battery Lithium Recharge:36 Hrs
Dimension :L 17.14" x W 2.13" x H 1.57"
1. Long life recyclable Lithium battery.
2. Integration of test switch and charge indicator.
3. Used for exterior or interior of luminaire.
4. THE Power of led luminaire ≤power of emergency driver.
5. Self-test function available.
Specification:
LED emergency drivers are UL Listed for factory or field installation,unrivaled emergency solutions for LED product with internal driver.
It allows the same LED luminaire to be used for normal and emergency operation and works in conjunction with an AC LED driver that convert new or existing LED fixtures into emergency lighting.It adopt a long-life recyclable Lithium battery, and are backed by a 5-Year Warranty. It is available in a variety of wattage, providing solutions for 25 watt applications.
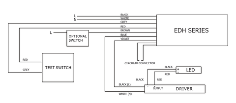
The EDH-25170-XX is for use with an LED load up to 25W at a rated voltage of 170V DC.
Operation:
When AC power fails, LEDSION'S EM-H Series emergency LED driver immediately switches to the emergency mode, operating the LEDs at a reduced lumen output for a minimum of 90 minutes. When AC power is restored, the emergency driver automatically returns to the charging mode.
Installtion:


